分类
特 点 Features
● 常规通用。General purpose.
● 底板式安装,简单方便。
Bottom plate installation, simple and convenient.
应 用 Application
● 各种电子设备和电子测量仪器的直流侧。
DC side of various electronic equipment and
electronic measuring instruments.
性能指标 Characteristcs
额定电压Rated voltage | 0~80VDC |
额定电流Rated curren | 1A~120A@40℃max. |
耐压试验 (60s) Test Voltage | 400VDC(线-线Line - line) 1414VDC(线-地Line - ground) 3000VDC/2S |
气候类别 Climate category | 25/100/21 |
产品型号表 Filter Table
型号 model | 接线方式:输入输出 | 额定电流A Rated curren | 接地电容量nF Grounding capacity | 放电电阻KΩ resistance | 电路图Fig. Circuit diagram | 外形尺寸Fig. Outline Drawing | ||
|
|
| ||||||
DYX-211-1- | TT | 1 | 22 | 1 | 1 | |||
DYX-211-6- | TT | 6 | 22 | 1 | 2 | |||
DYX-211-10- | TT | 10 | 22 | 1 | 2 | |||
DYX-211-15- | TT | 15 | 22 | 1 | 2 | |||
DYX-211-20- | TT | WW | 20 | 22 | 1 | 2 | ||
DYX-211-30- | WW | SS | 30 | 22 | 1 | 3 | ||
DYX-211-40- | WW | SS | 40 | 22 | 1 | 3 | ||
DYX-211-50- | SS | 50 | 22 | 1 | 4 | |||
DYX-211-60- | SS | 60 | 22 | 1 | 4 | |||
DYX-221-80- | SS | 80 | 44 | 2 | 4 | |||
DYX-221-100- | SS | 100 | 44 | 2 | 4 | |||
DYX-221-120- | SS | 120 | 44 | 2 | 4 | |||
电原理图Typical Circuit Diagram

Fig.1 Fig.2
插入损耗 Insertion LOSS in dB (50Ω测量系统,IEC/CISPR No.17号出版物)

1A 6A 10A

15A 20A 30A~40A

50A~60A 80A 100A~120A
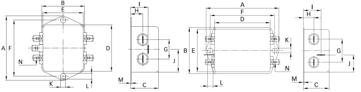
外形尺寸图 Outline Drawing : mm

Fig.1 (1A) Fig.2 (6A~20A)

Fig.3 (30A~40) Fig.4 (50A~120A)
外形尺寸Fig. | A | B | C | D | E | F | G | H | I | J | K | L | M | N | Q |
1 (1A) | 64 | 35 | 24.3 | 43.5 | 32.5 | 54 | 21 | 9.3 | 15.3 | 21.8 | 5.3 | 6.3 | 0.7 | 6.3×0.8 | |
2 (6A~20A) | 71 | 46.6 | 29.3 | 50.5 | 44.5 | 61 | 21 | 10.8 | 19.3 | 20.1 | 5.3 | 6.3 | 0.7 | 6.3×0.8 | |
3 (30A~40A) | 99.5 | 59 | 45 | 73 | 57 | 87 | 18 | 7 | 28 | 23.5 | 4.5 | 6.5 | 0.7 | M4 | |
4 (50A~60A) | 105 | 145.9 | 57.6 | 84.5 | 99.5 | 95 | 40 | 19.6 | 10.1 | 42.25 | 4.4 | 6 | 1.2 | M6 | 51 |
4 (80A~120A) | 130 | 177 | 50 | 100 | 120 | 115 | 65 | 28 | 28 | 50 | 6.5 | 4.5 | 1.2 | M8 | 80 |
CopyRight © 2025 常州市南宫ng28有限公司 版权所有 苏ICP备2022034447号-1 网站地图 所有标签 免责声明 中环互联网常州网站建设